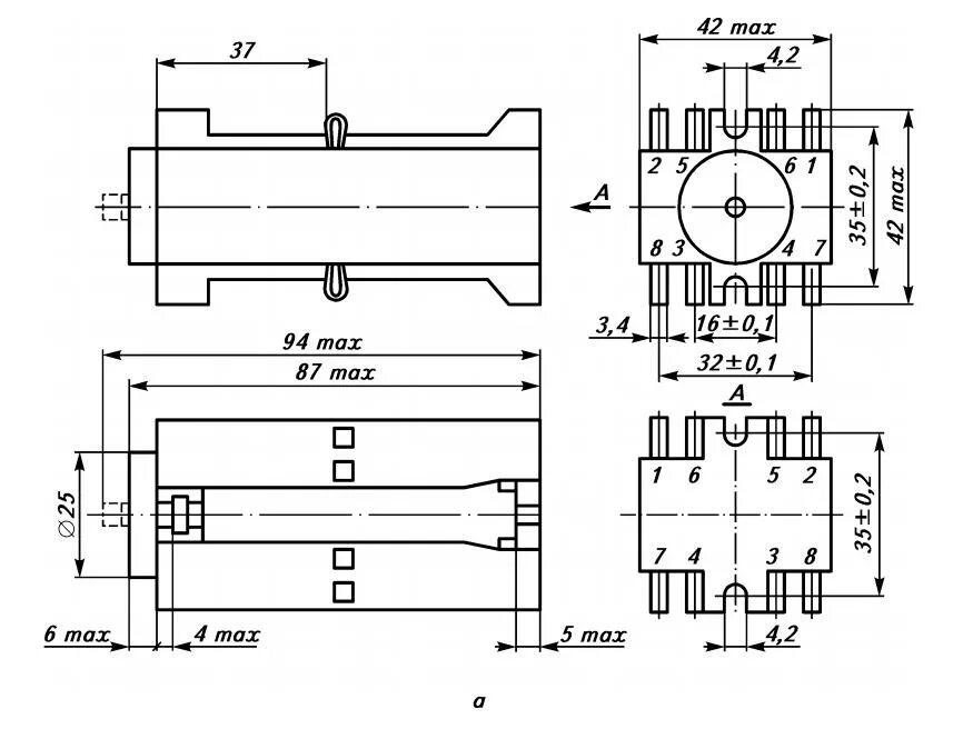
01.11 01