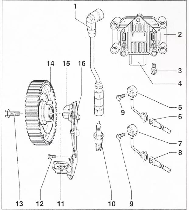
06 01 005 01