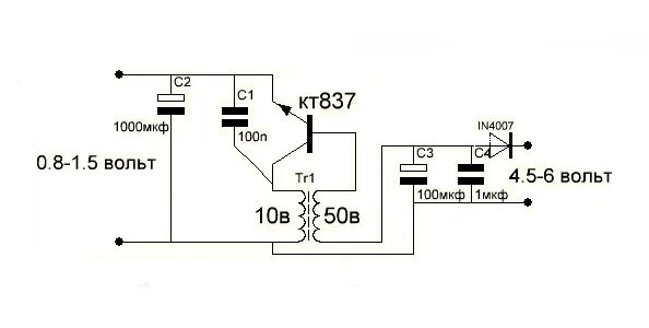
1 5 вольт 220 вольт