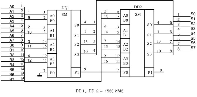
1 параллельный 8