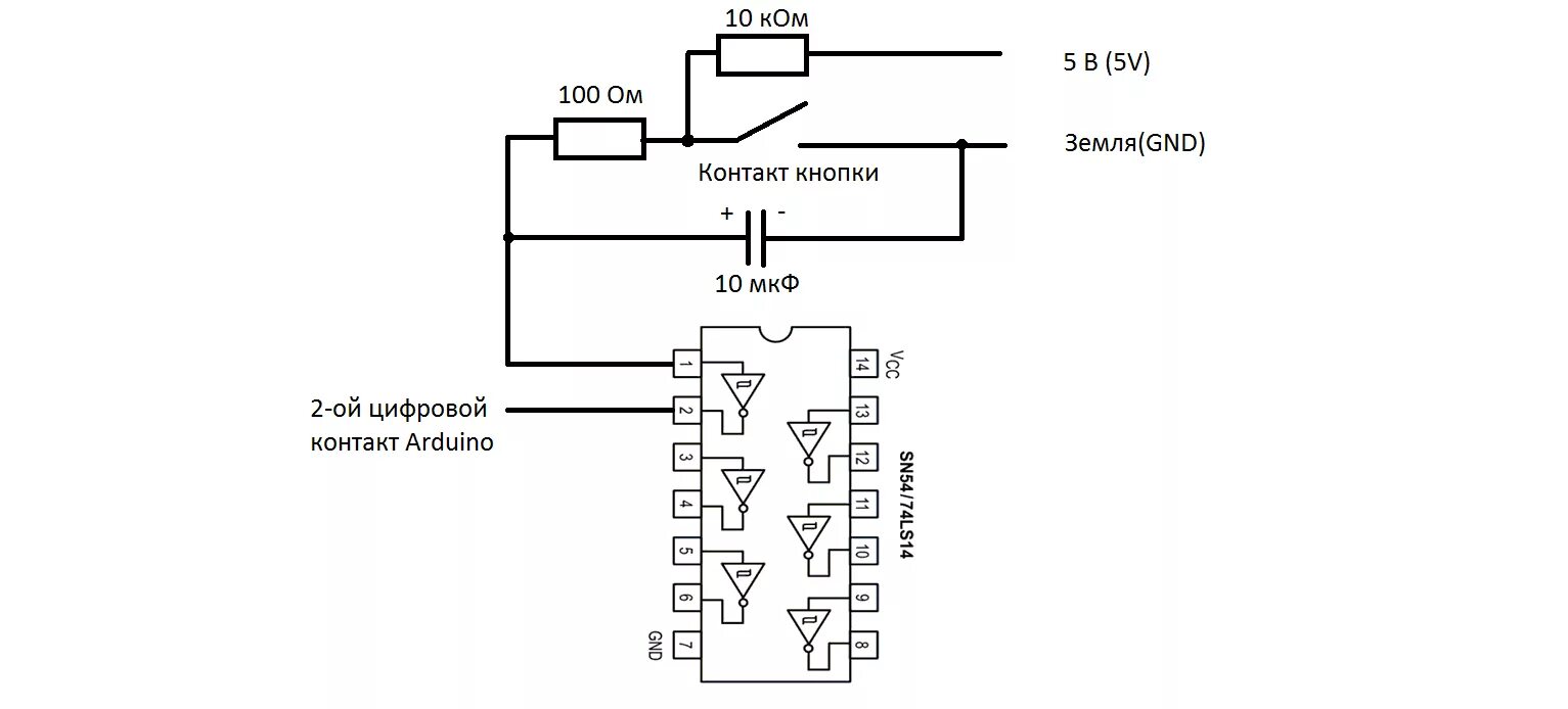
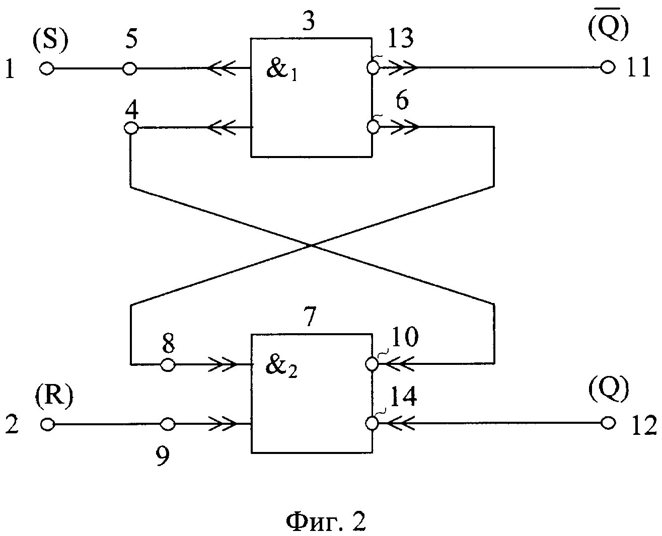
1 триггер 14