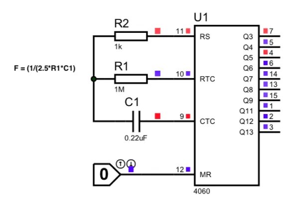
12100f 4060