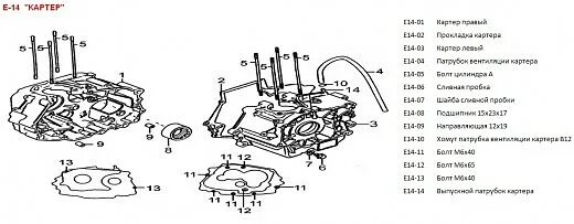
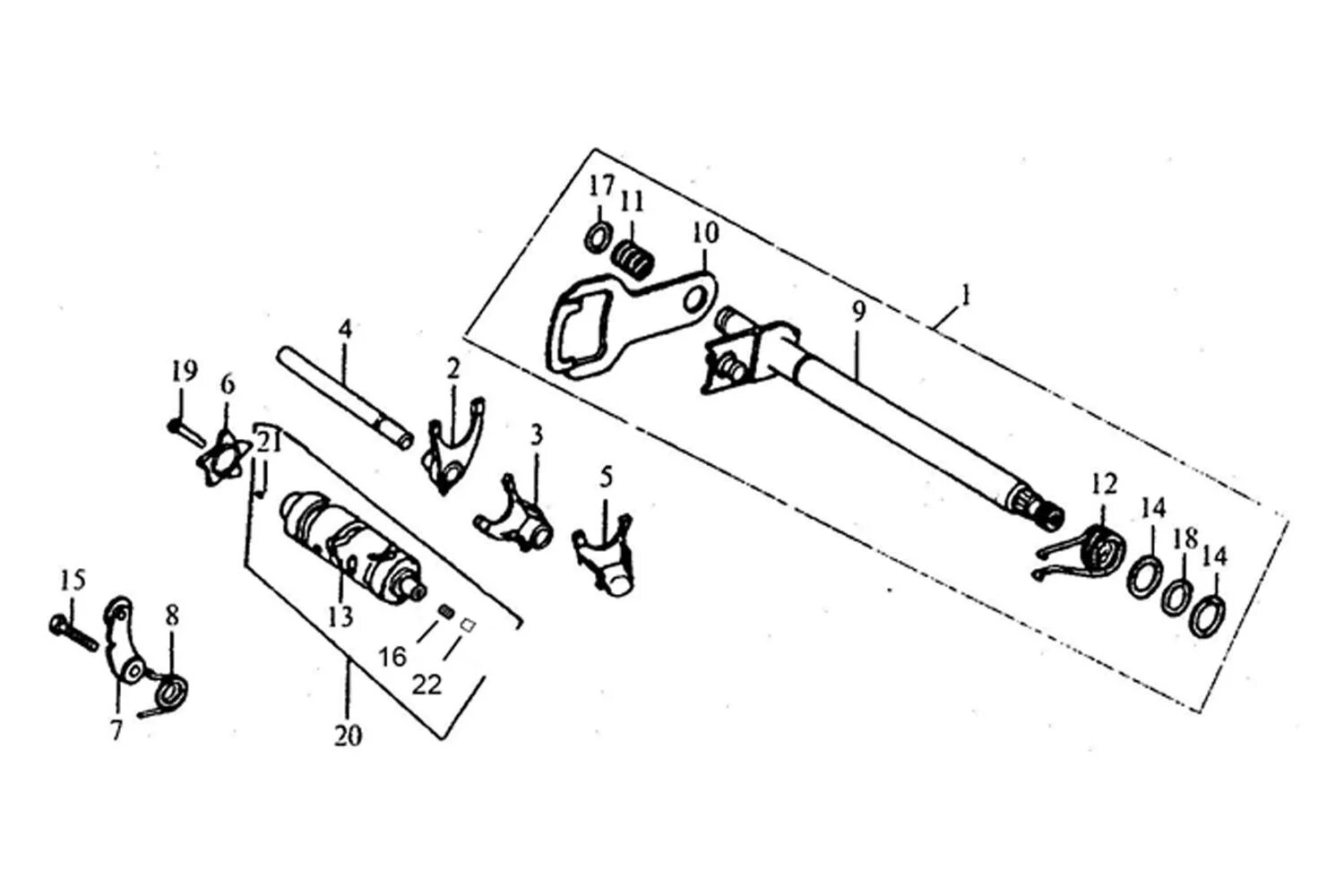
172fmm схема