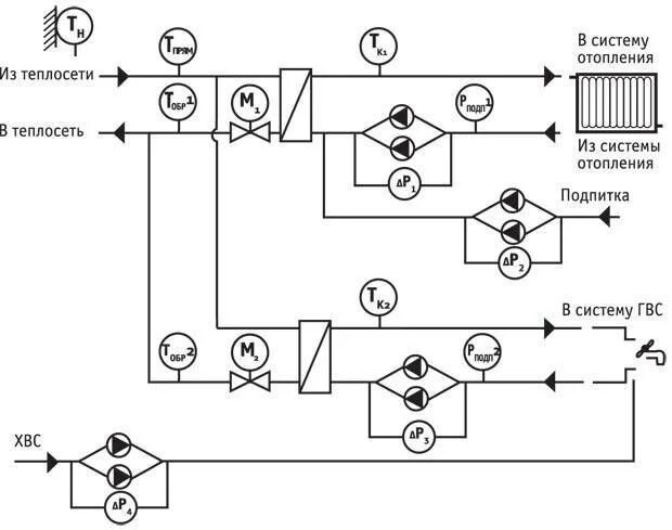
2 насоса в системе отопления