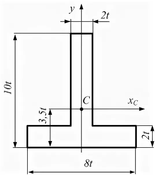
2 образное сечение