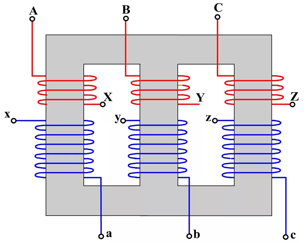
2 трехфазные трансформаторы