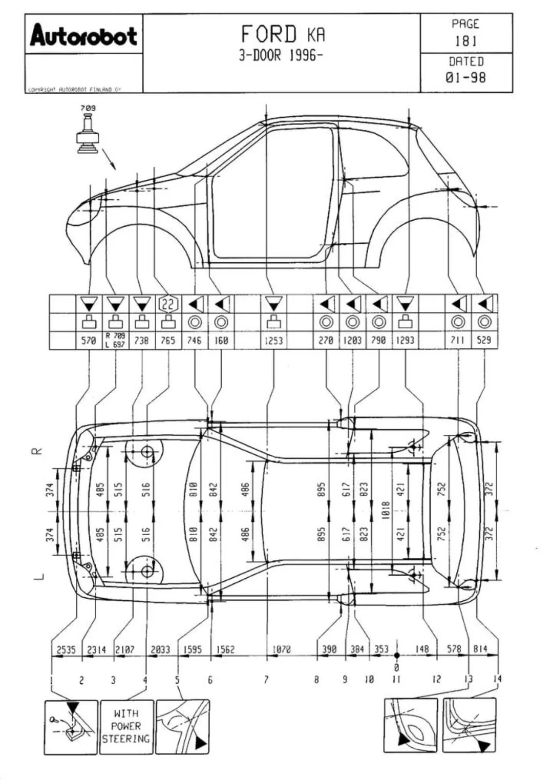
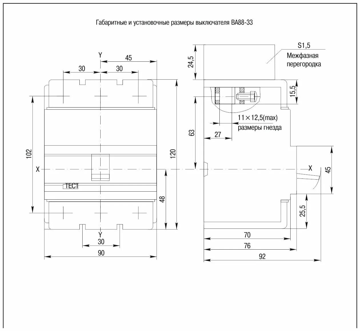
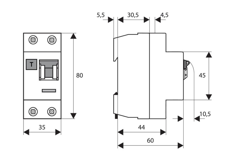
20 ка размеры