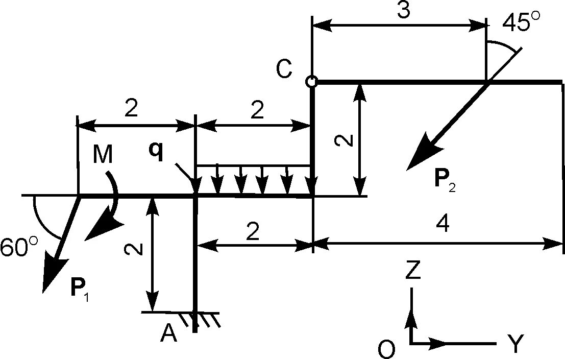
2000 кн м