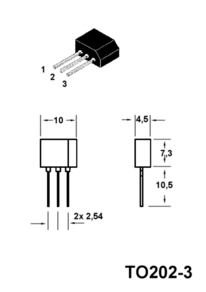
202 02 03