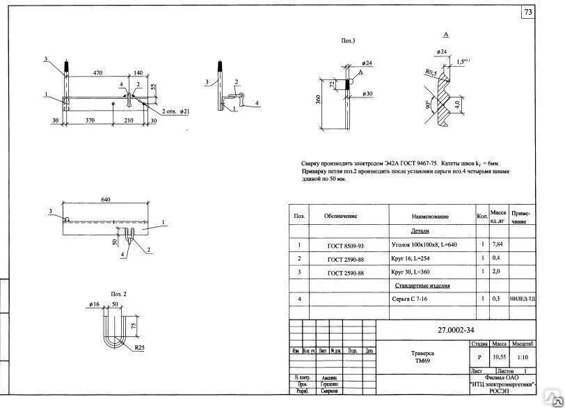
25 67 16