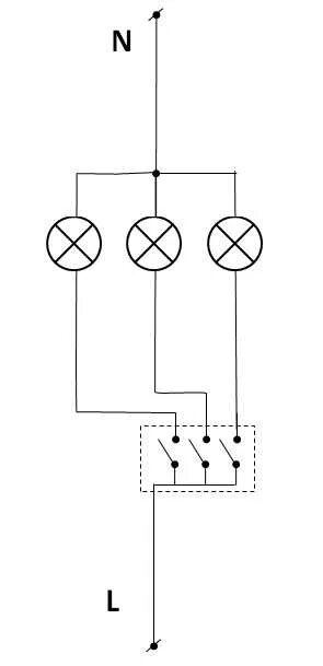
3 лампочки 3 выключателя