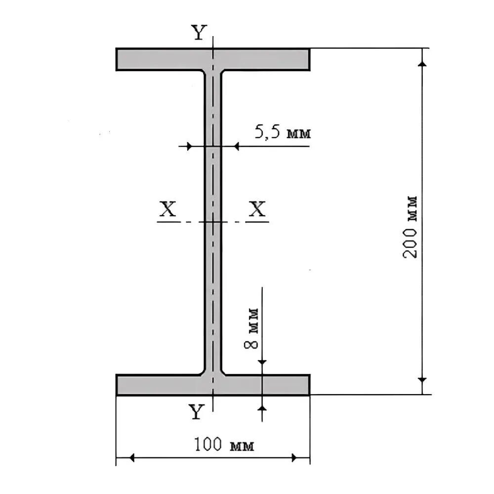
30 б 1 размеры