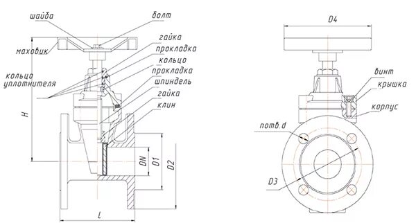
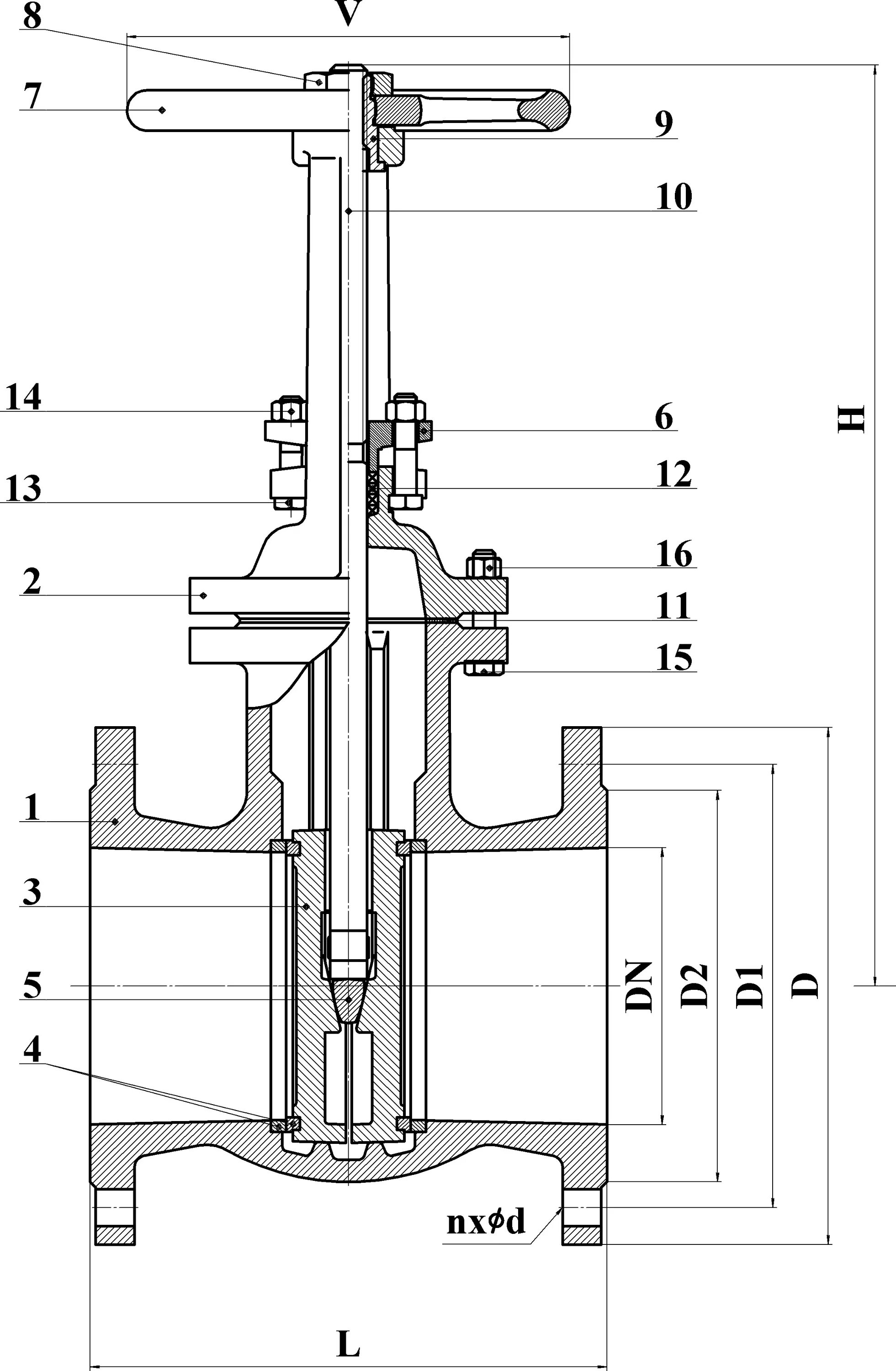
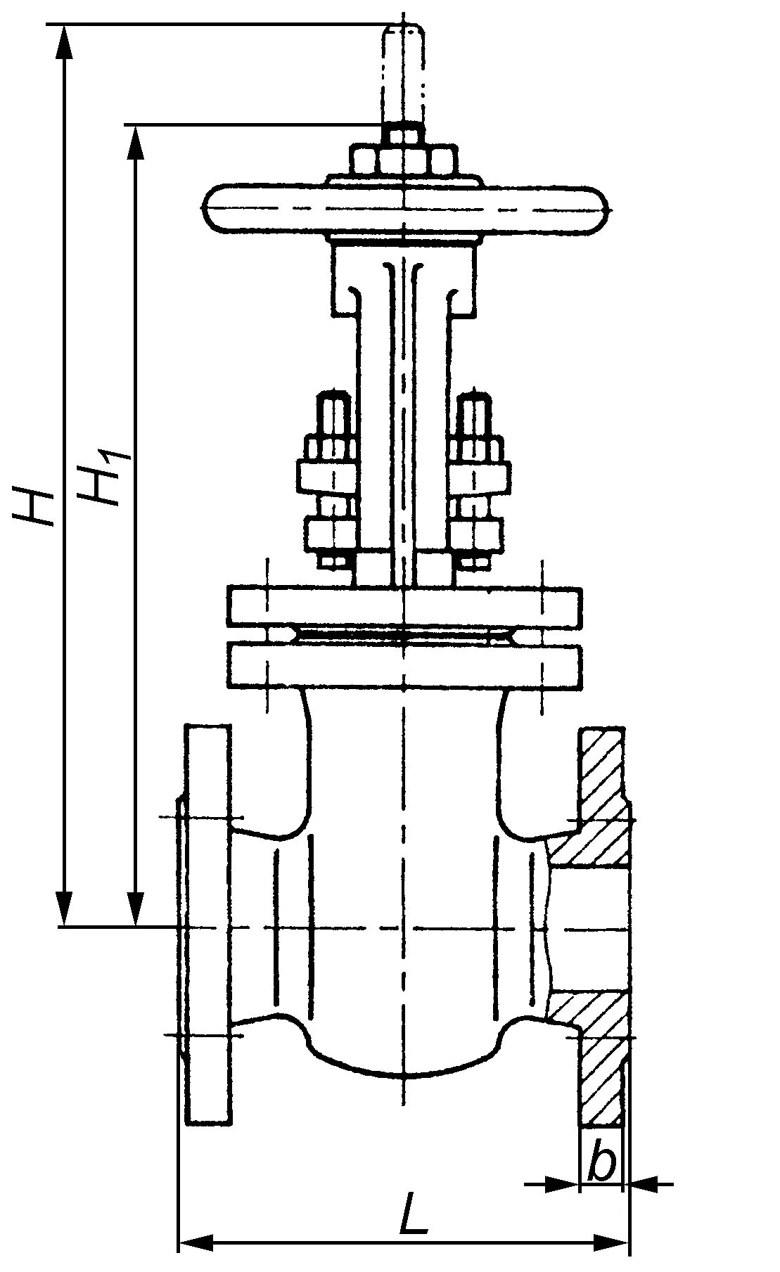
30 ч 1