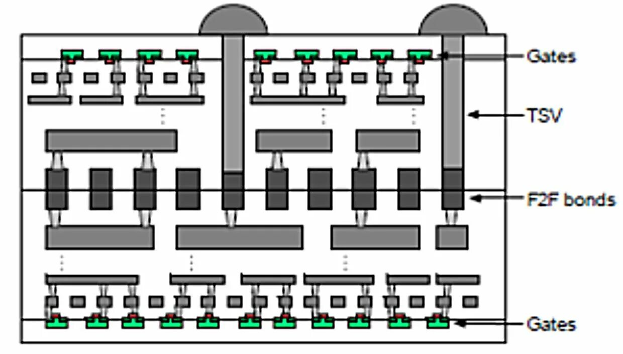
3dp chip