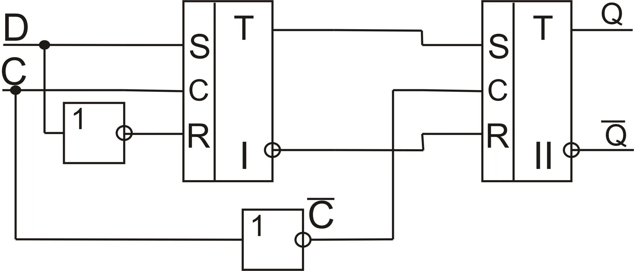
4 d триггера