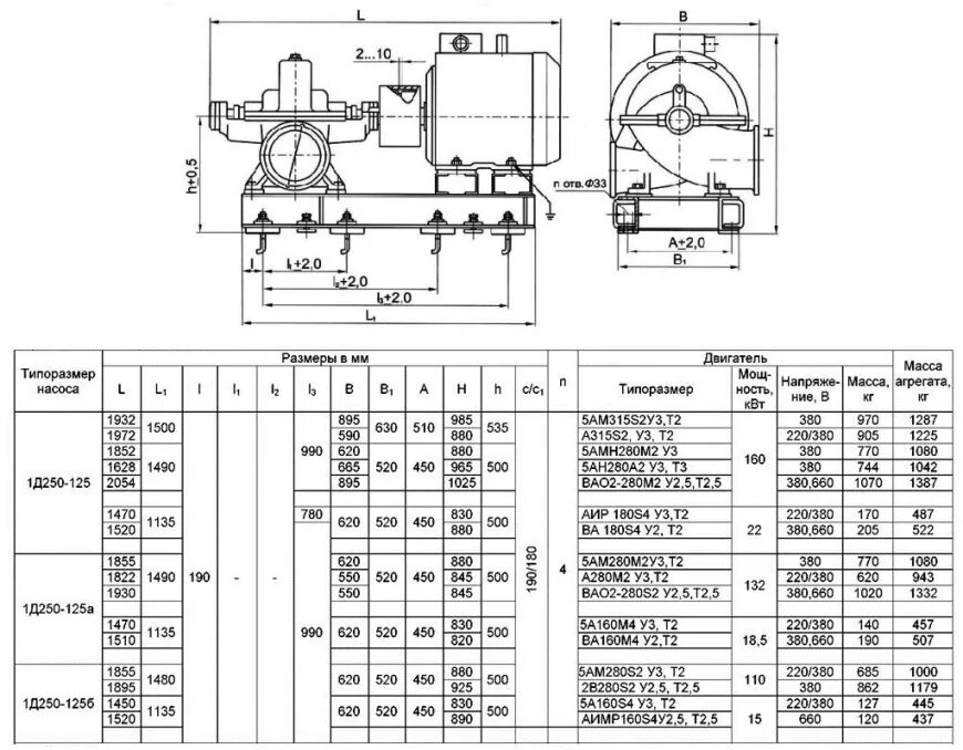
400 80 180 3