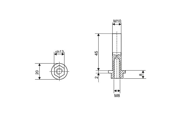
7 811 53