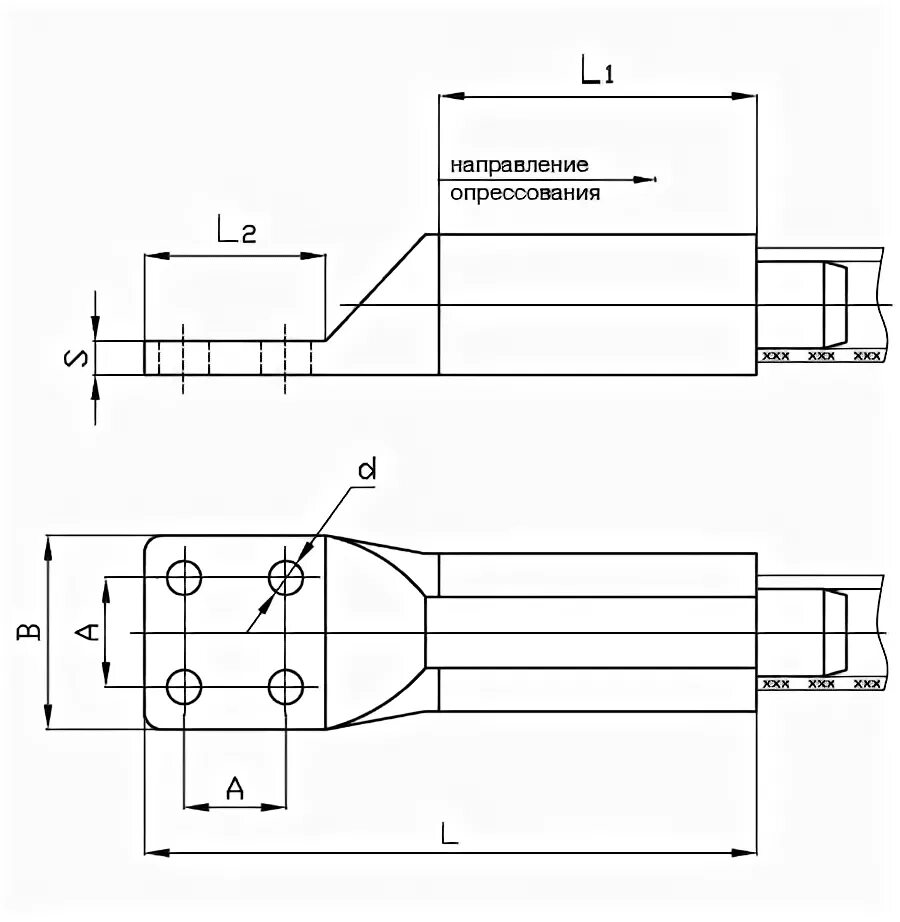
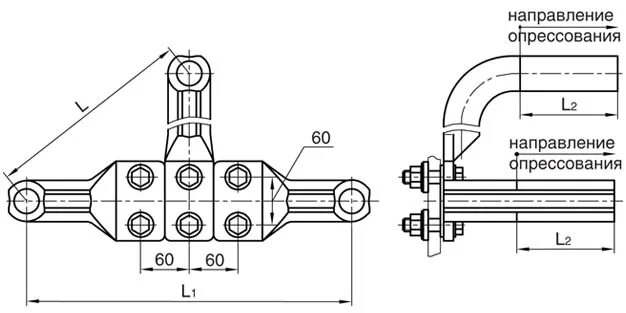
А4 ап