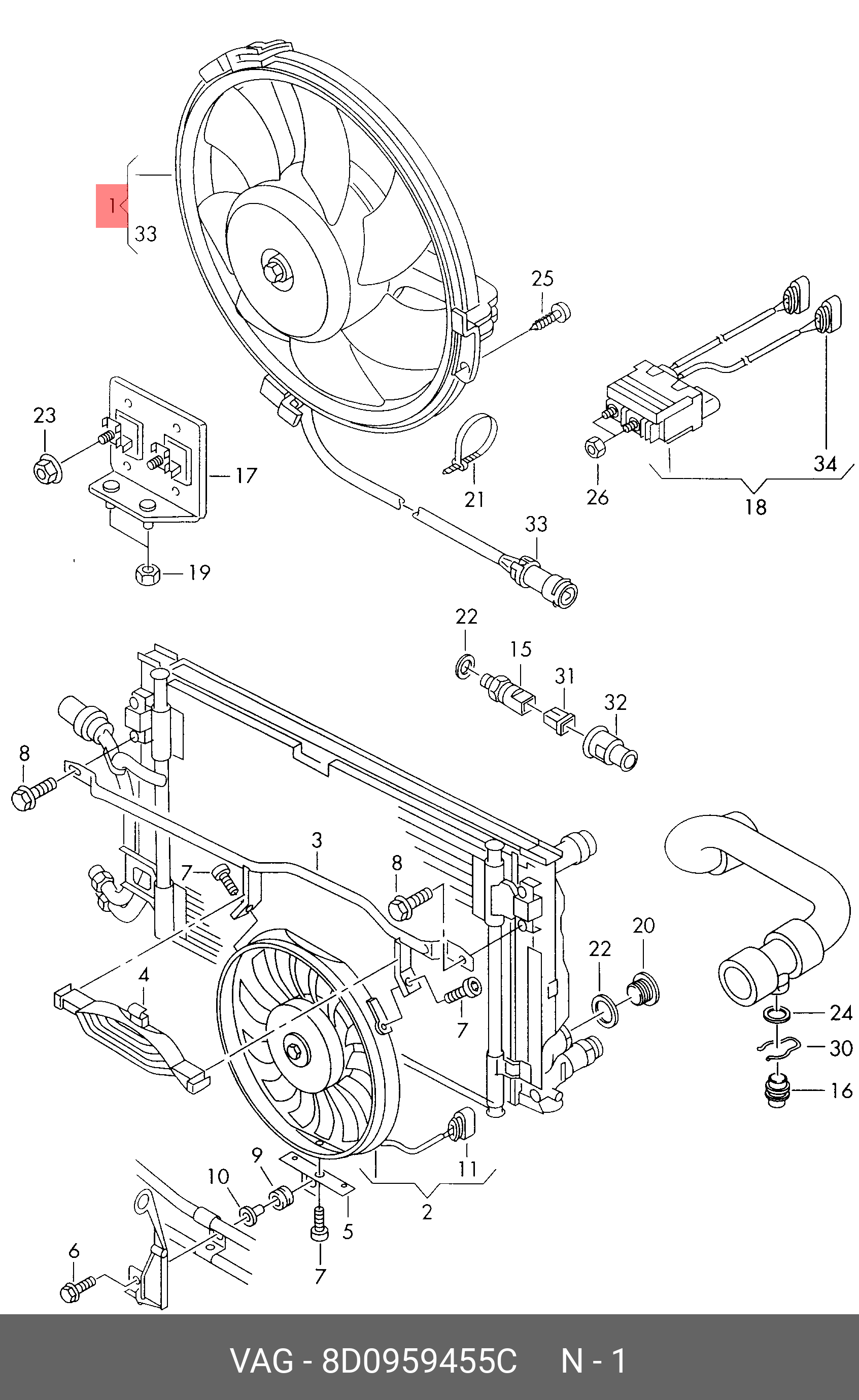
A4 вентилятор