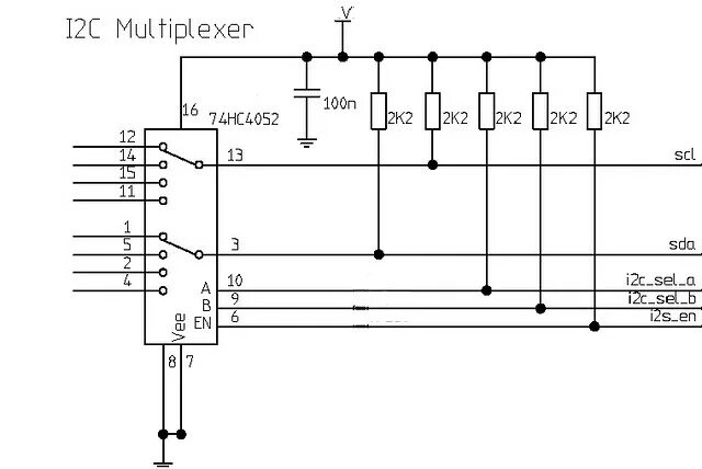
Адрес i2c