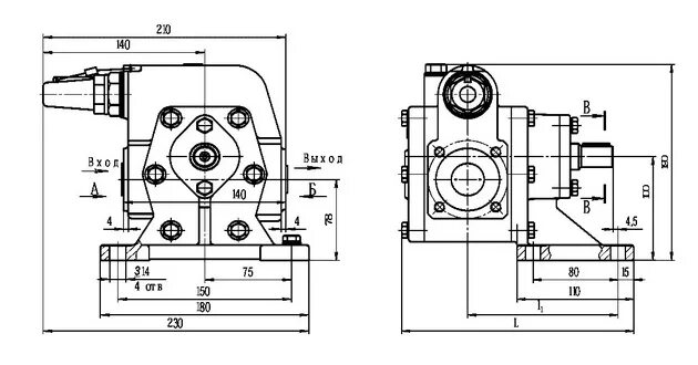
Агрегат нмш 5 25