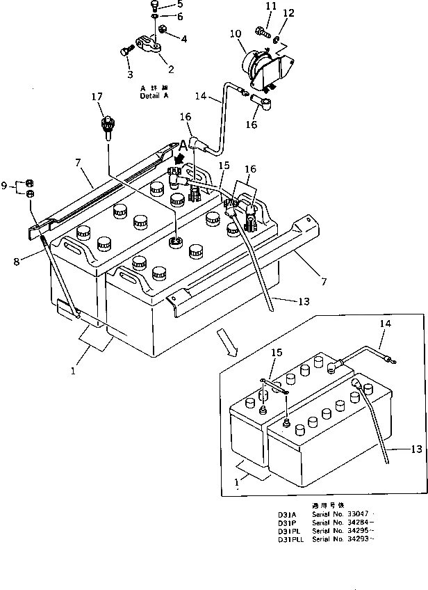
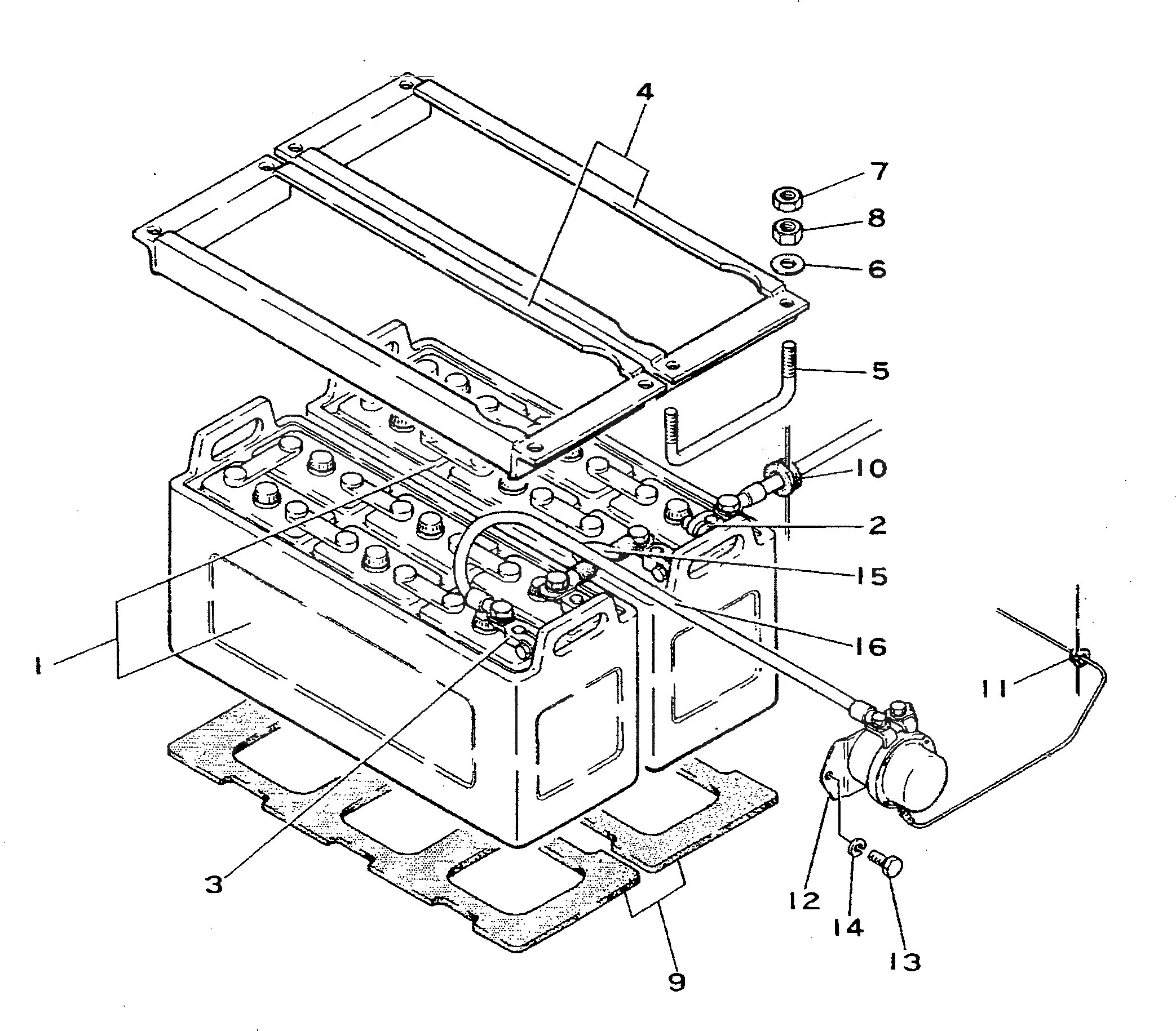
Аккумулятор бульдозер