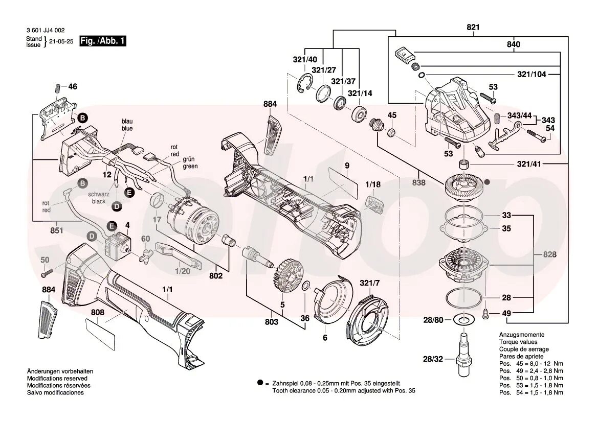
Аккумуляторная болгарка устройство