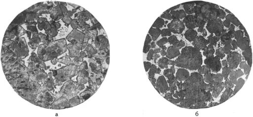
Алит алит читать