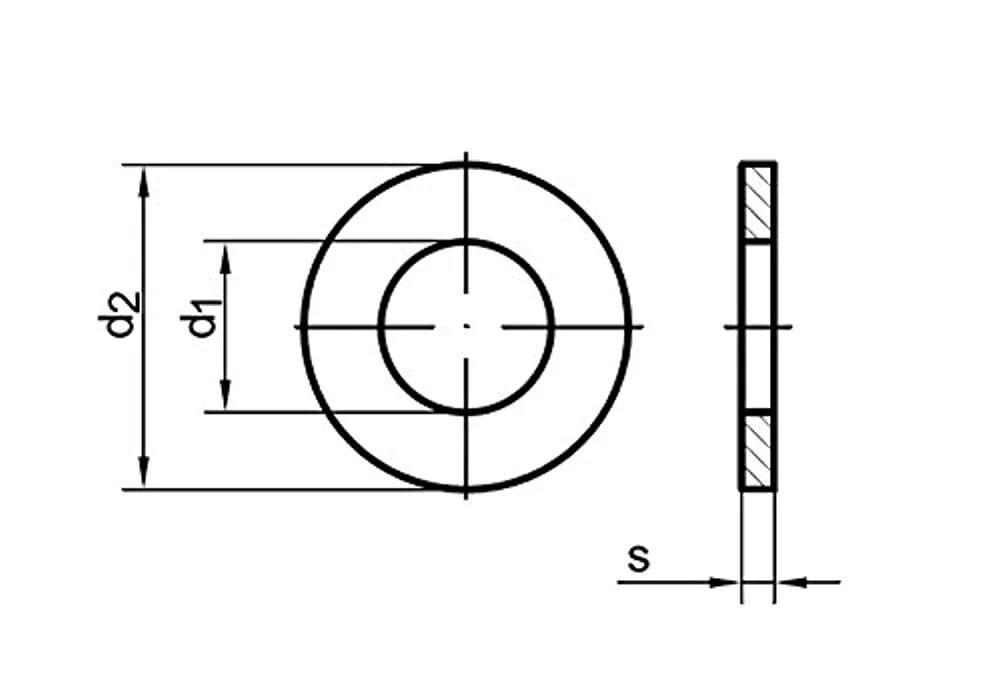
Аналог iso