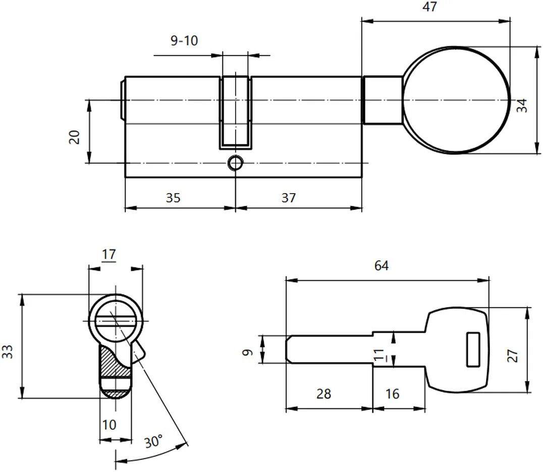
Apecs rt