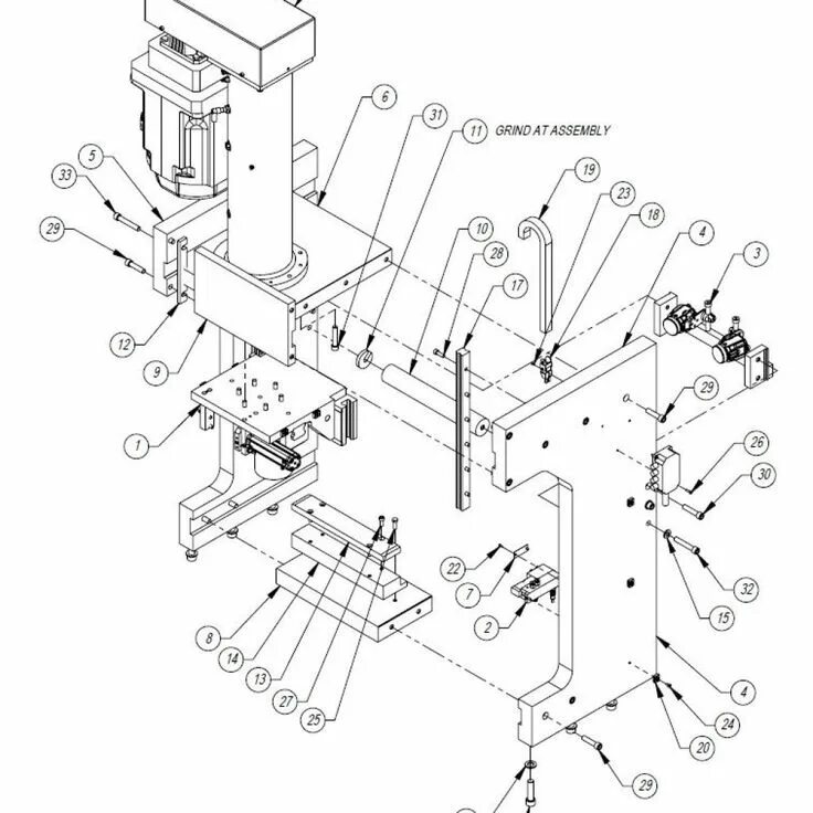
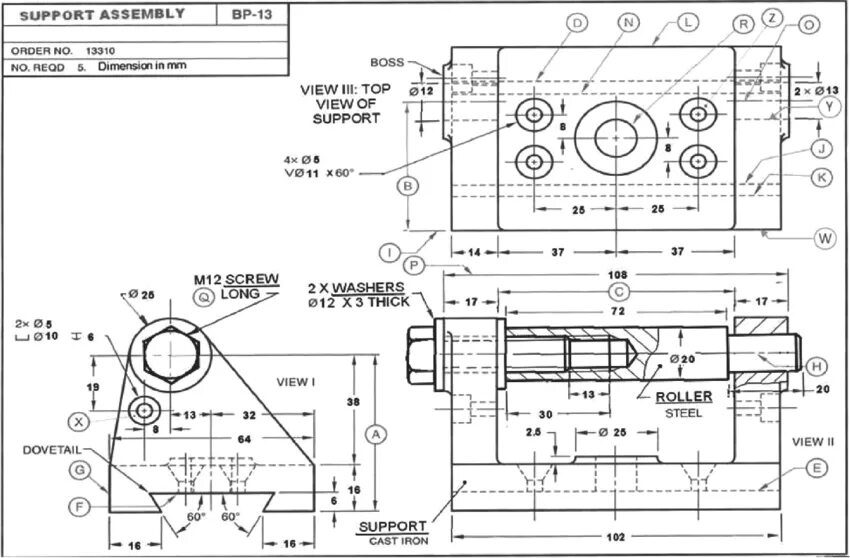
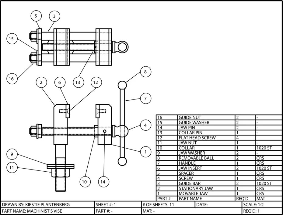
Assembly drawing