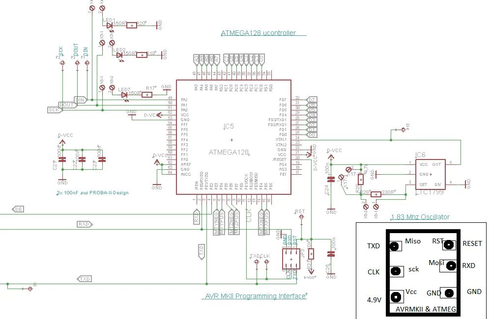
Atmega 128