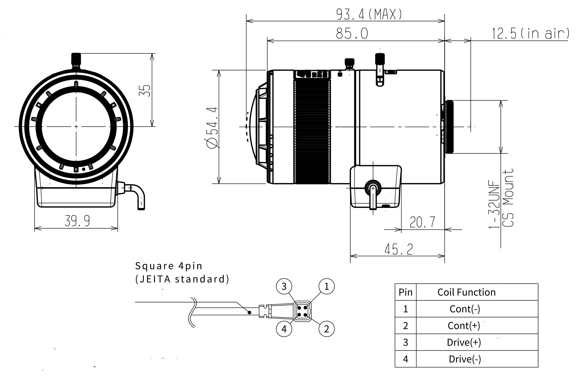
Auto iris