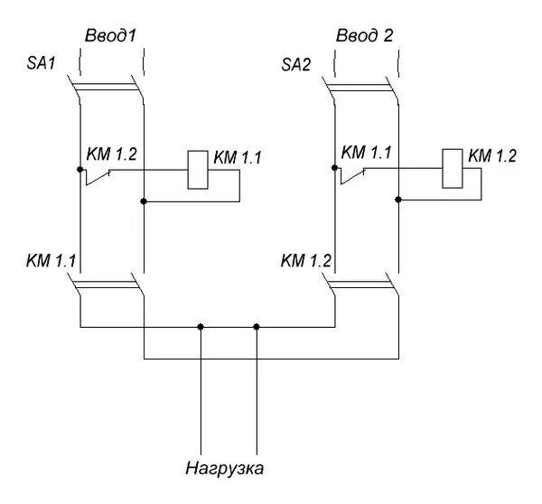
Авр на два ввода