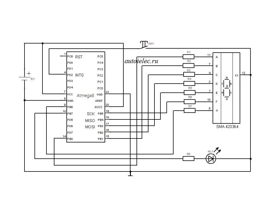
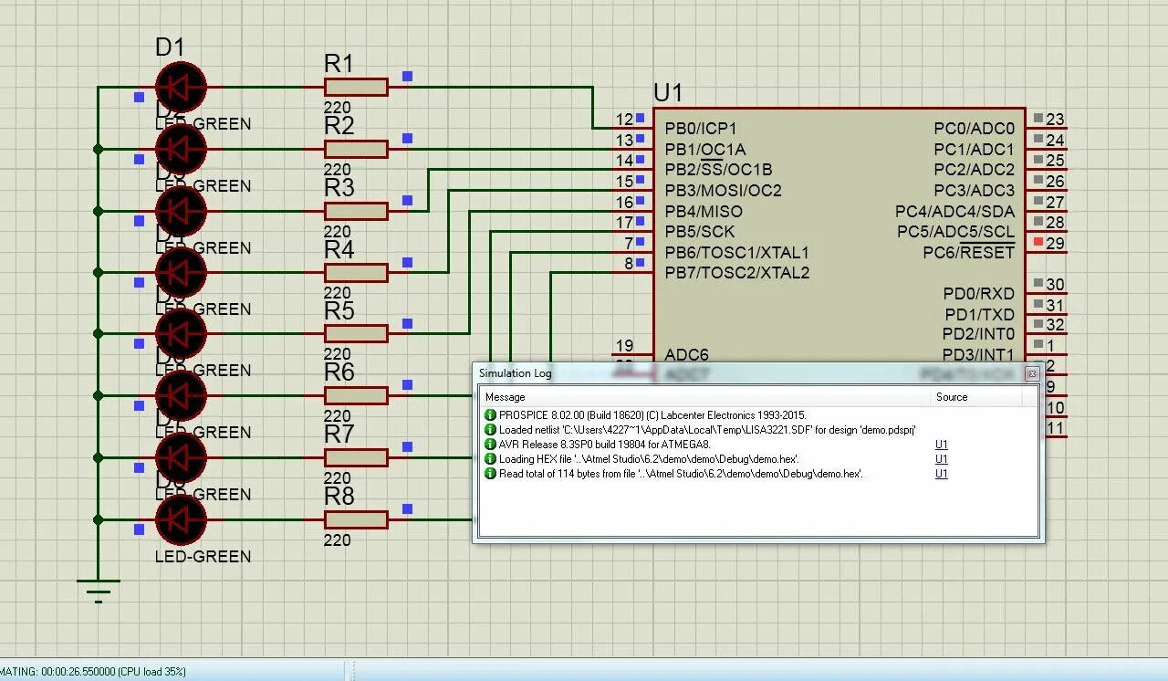
Avr примеры