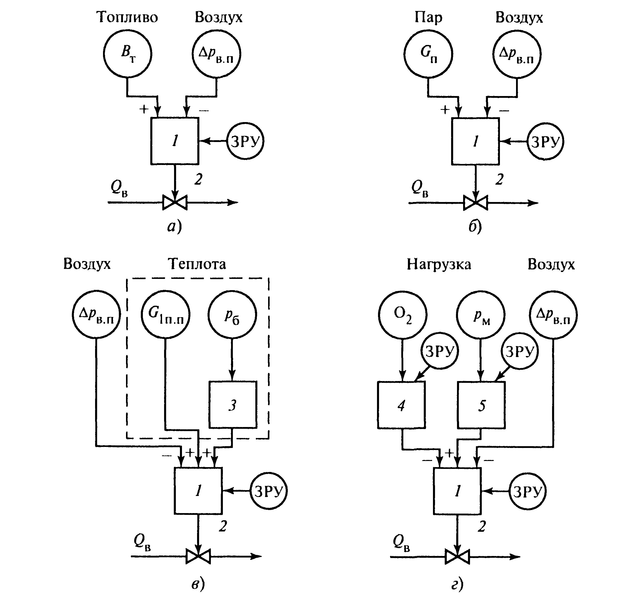
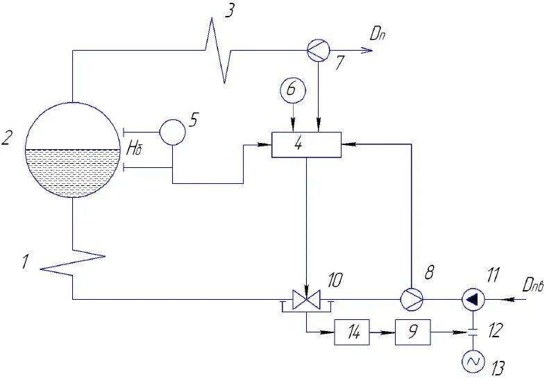
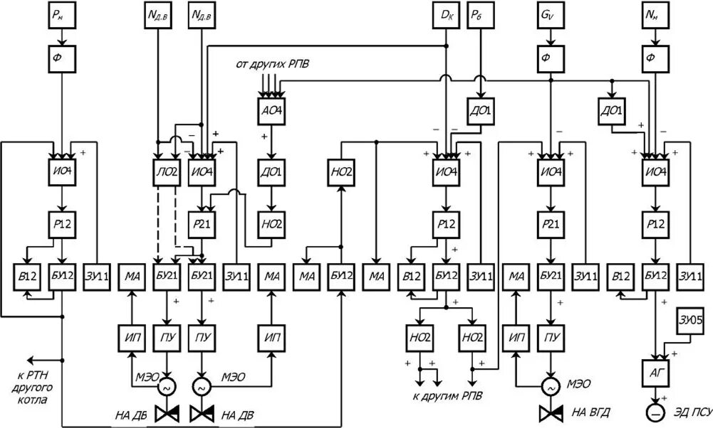
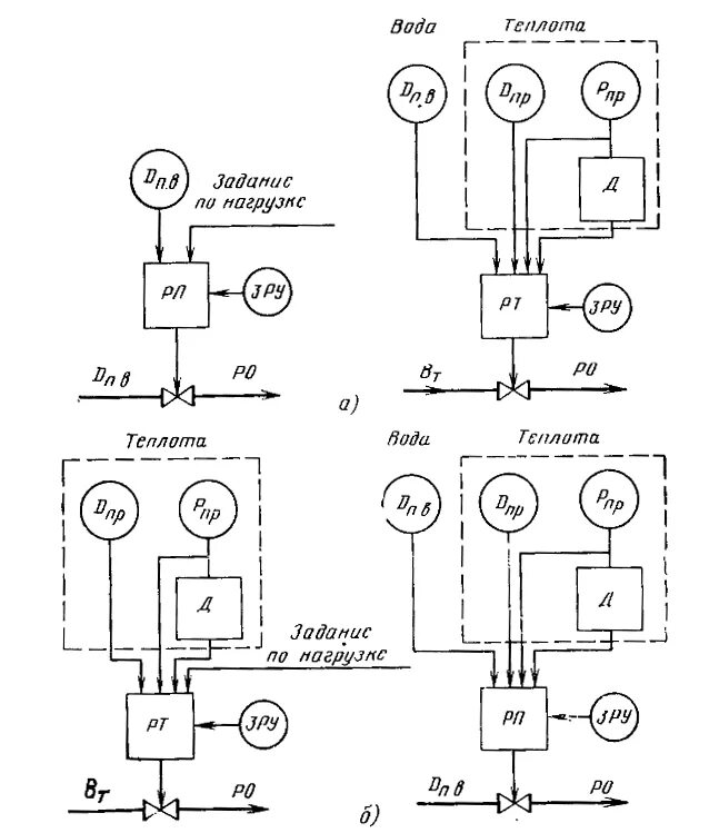
Автоматическое регулирование котла