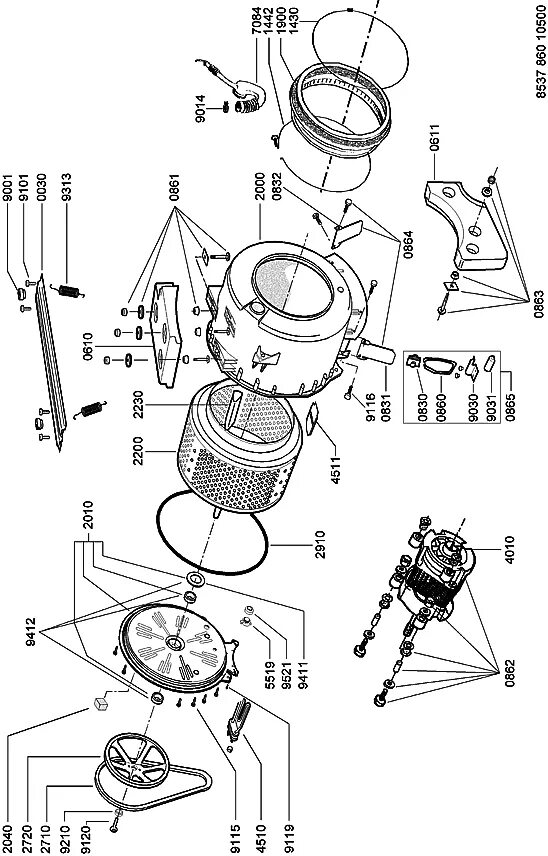
Awg запчасти