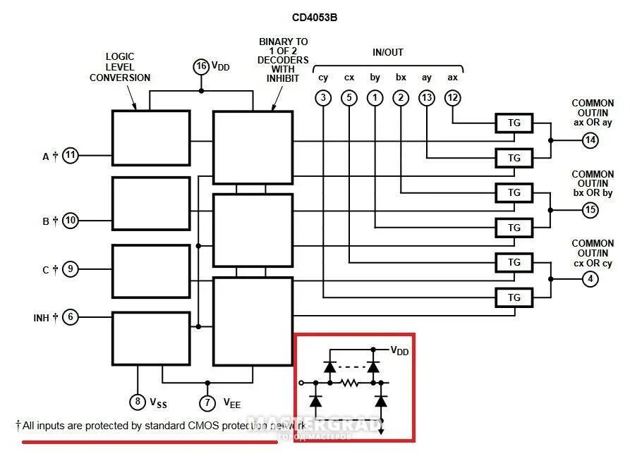
B logic