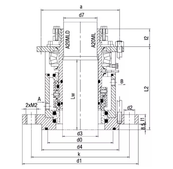
Бачки торцевого уплотнения