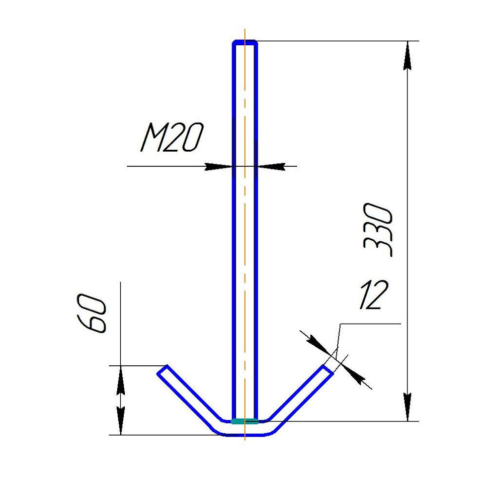
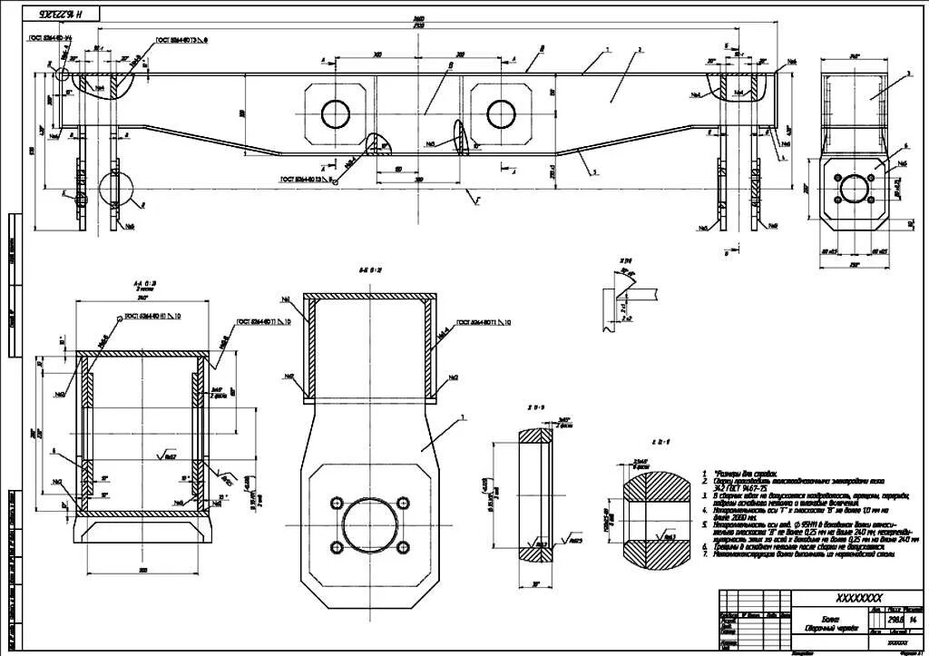
Балки траверсы