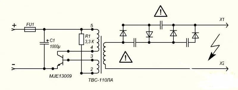
Базе строчного