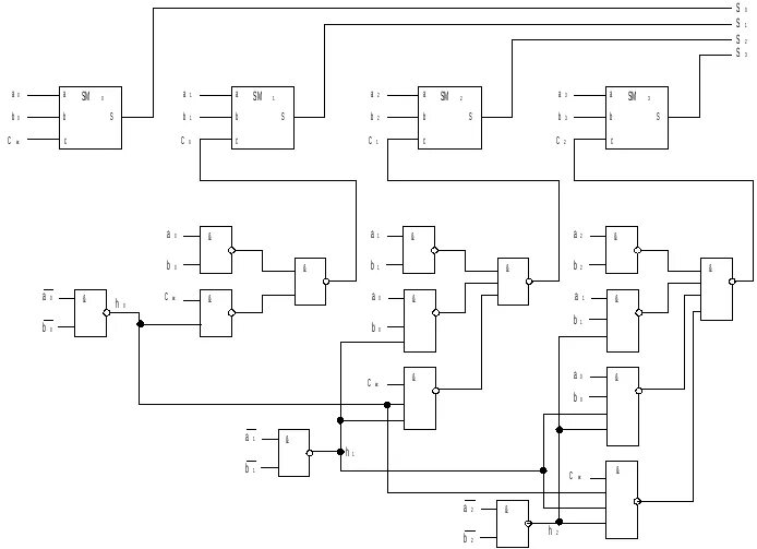
Битный сумматор