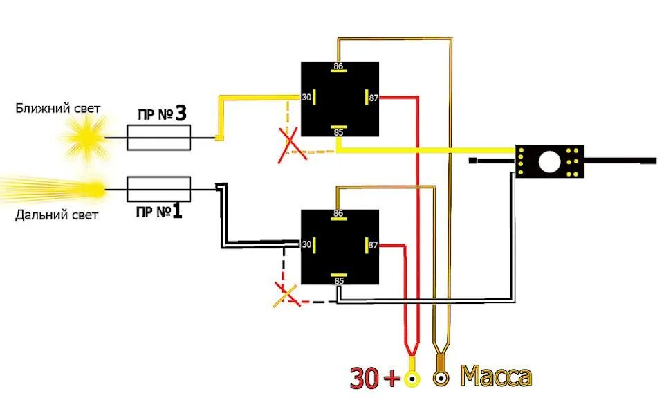
Ближний дальний на альфу