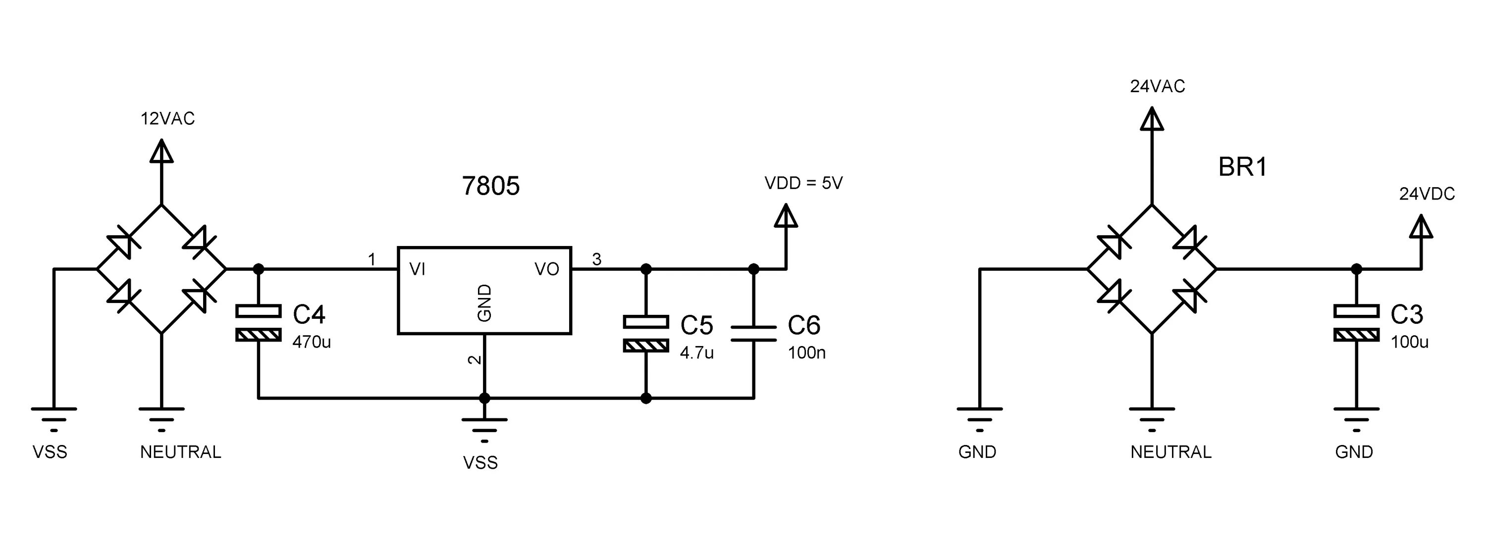
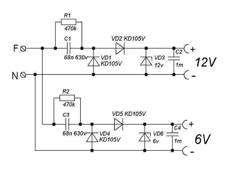
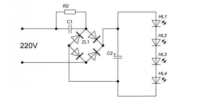
Блок питания без трансформатора