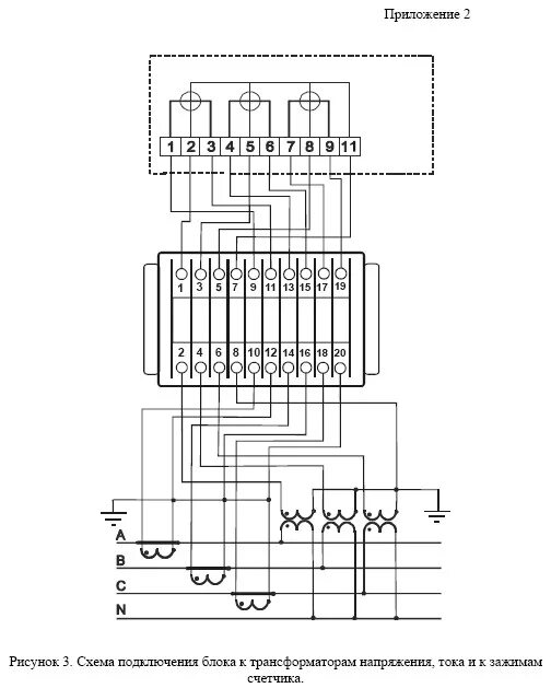
Блок трансформаторов тока