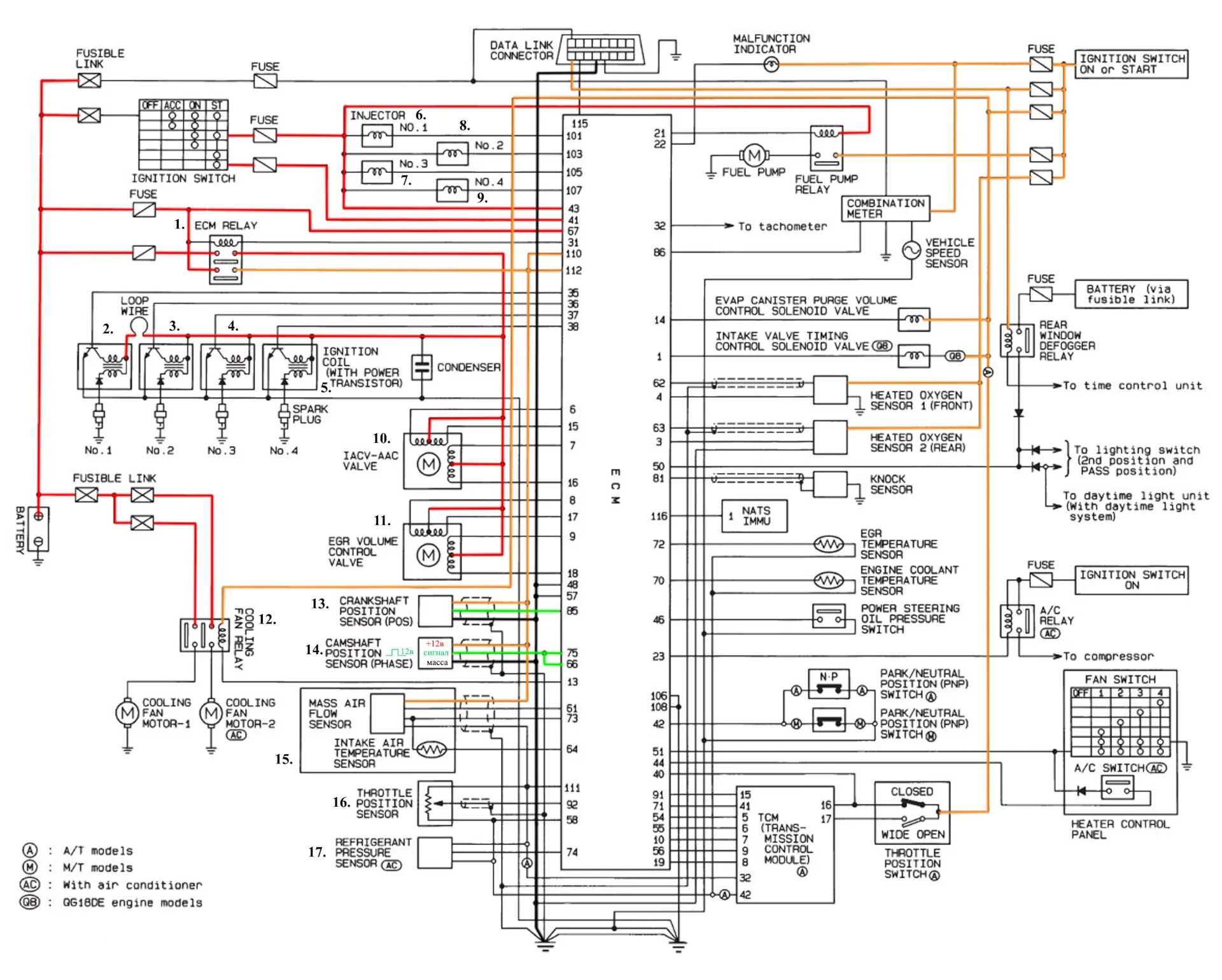
Блок управления н16