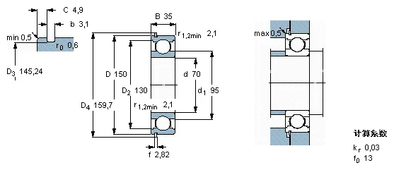
C nr 2