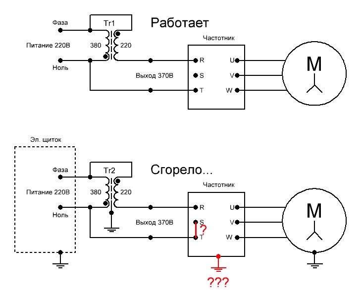
Частотник ошибка 14