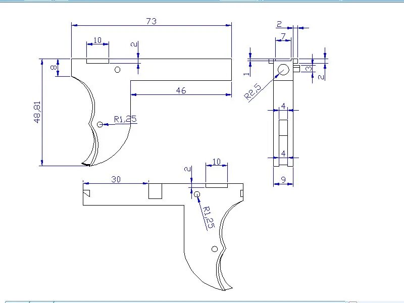
Чертеж из фанеры с размерами