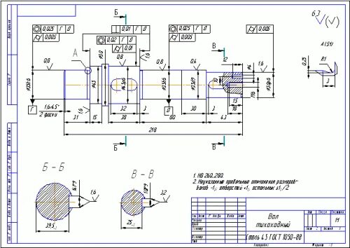
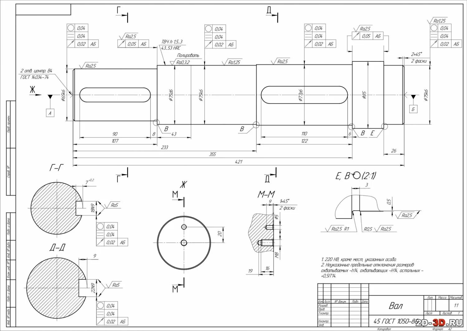
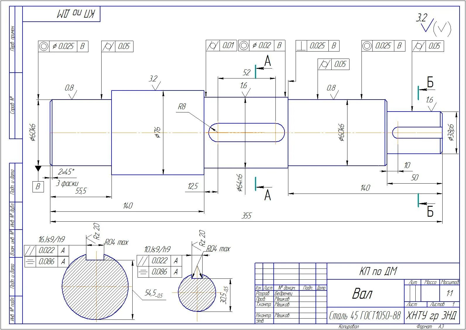
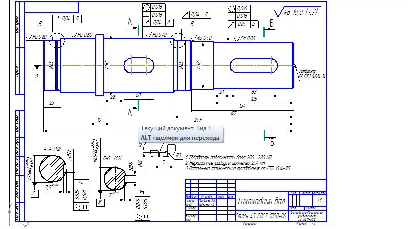
Чертеж вала пример